Mastering Passive Components For Oscilloscope Measurements

V.Ijoomla 87 views
Mastering Passive Components For Oscilloscope Measurements

Mastering Passive Components for Oscilloscope Measurements

Hey there, fellow electronics enthusiasts! Ever wonder what makes your oscilloscope truly tick, especially when you’re probing different circuits? It’s not just the fancy screen and the complex internal processors; a huge part of accurate measurement, especially in real-world applications , comes down to something much more fundamental: passive components . Yep, we’re talking about those humble resistors, capacitors, and inductors. These guys are the unsung heroes, silently influencing every waveform you see and every measurement you take. Without a solid grasp of how these passive elements interact with your signals and your oscilloscope, you might be looking at a completely distorted picture, missing crucial details, or even misinterpreting critical circuit behavior. This article is your ultimate guide to understanding the vital role of passive components in oscilloscope measurements and how to leverage that knowledge to become a true master of your bench. We’re going to dive deep, explore their functions, and show you how a little understanding can go a long way in ensuring your readings are as accurate and reliable as possible. So, get ready to unlock a new level of confidence in your troubleshooting and design work, because once you grasp the power of passive components, your oscilloscope will never look the same again. Let’s dig in and make sense of these essential building blocks of electronics and measurement!

What Are Passive Components in Oscilloscope Applications?

Alright, guys, let’s start with the basics. What exactly are passive components ? In the world of electronics, a passive component is an electronic component that doesn’t require an external power source to operate and cannot introduce net energy into a circuit. Instead, they either dissipate, store, or process energy. Think of them as the fundamental building blocks, the silent workhorses of pretty much every electronic circuit out there, including the ones inside your oscilloscope and the circuits you’re testing. The big three passive components we’re going to focus on are resistors, capacitors, and inductors. Each plays a distinct and critical role when it comes to oscilloscope measurements. When you connect an oscilloscope probe to a circuit, you’re not just passively observing; the probe itself, which contains passive components, becomes an integral part of the circuit under test . This interaction is incredibly important to understand because it directly impacts the signal you’re seeing. For instance, the input impedance of your oscilloscope and its probe, which is typically a combination of resistance and capacitance, can significantly affect the amplitude and shape of high-frequency signals. If you don’t account for this, you might be seeing something that isn’t truly representative of the circuit’s actual behavior. Understanding these passive elements helps us anticipate how our measurement tools will interact with the circuit and allows us to make informed decisions about probe selection, compensation, and interpretation of waveforms. We’ll explore how each type contributes to the overall measurement process, from ensuring proper voltage division to managing signal integrity across various frequencies. So, whether you’re dealing with slow DC signals or lightning-fast RF pulses, knowing your passive components is the key to accurate and meaningful oscilloscope measurements . Keep reading, because the insights we’re about to uncover will seriously up your electronics game!

Resistors: The Unsung Heroes of Oscilloscope Probes and Circuits

When we talk about oscilloscope passive components , resistors are often the first thing that comes to mind, and for good reason! These seemingly simple two-terminal devices are absolutely fundamental, not just in the circuits you’re testing, but also within your oscilloscope probes and input stages. At their core, resistors oppose the flow of electric current , converting electrical energy into heat. This fundamental property makes them incredibly versatile. In the context of oscilloscope measurements, resistors play several absolutely crucial roles. One of the most common and important applications is in voltage division . Think about your standard 10x oscilloscope probe. This isn’t just a fancy wire; it contains a precisely matched resistor (typically 9 MΩ) in series with the oscilloscope’s input resistance (usually 1 MΩ). This combination forms a voltage divider that reduces the input signal by a factor of ten. Why do we do this? Well, it significantly increases the input impedance of the probe-oscilloscope system, which is vital. A higher input impedance means the probe draws less current from the circuit under test, thereby minimizing its loading effect . This is super important because if your probe significantly loads the circuit, it changes the circuit’s behavior, and you end up measuring something that isn’t quite the original signal. So, guys, understanding Ohm’s Law (V=IR) is paramount here, as it directly governs how these voltage dividers work. Resistors also help with impedance matching , especially at higher frequencies, to prevent signal reflections and ensure maximum power transfer. Furthermore, they can be used for current limiting , protecting sensitive input stages from excessive current. Even within the oscilloscope itself, resistors are used for internal calibration and signal conditioning. Without these humble components performing their essential voltage division, loading mitigation, and impedance matching tasks, getting accurate, undisturbed measurements with your oscilloscope would be a nightmare. Always remember that the quality and value of these resistors directly impact the integrity of your signal. So, next time you pick up a probe, give a nod to the resistors working hard inside it, keeping your measurements honest and true!

Capacitors: Managing Frequency and Storing Energy for Oscilloscope Signals

Alright, let’s switch gears and talk about capacitors , another absolutely indispensable passive component in the world of oscilloscope passive components and circuit analysis. Unlike resistors that dissipate energy, capacitors are all about storing electrical energy in an electric field. They consist of two conductive plates separated by a dielectric material. What makes capacitors so fascinating and crucial for oscilloscope measurements is their frequency-dependent behavior . At DC (direct current) or very low frequencies, a capacitor acts like an open circuit, blocking the flow of current once charged. However, as the frequency of the signal increases, its impedance decreases , allowing AC (alternating current) signals to pass through more readily. This property is golden for many applications! For instance, capacitors are extensively used for AC coupling in oscilloscope inputs, which allows you to observe the AC component of a signal while blocking any DC offset. This is super handy when you want to look at a small ripple on top of a large DC voltage. Another vital role is in filtering . When combined with resistors or inductors, capacitors form RC or LC filters that can selectively pass or block certain frequencies. This is essential for cleaning up noisy signals or isolating specific frequency components for analysis on your oscilloscope. Think about low-pass filters to smooth out high-frequency noise, or high-pass filters to remove unwanted low-frequency hum. Perhaps one of the most critical applications directly impacting your oscilloscope readings is probe compensation . Most 10x passive probes have a small, adjustable variable capacitor that you use to compensate the probe. This capacitor, in conjunction with the cable’s capacitance and the oscilloscope’s input capacitance, forms a compensated voltage divider that ensures a flat frequency response across a wide bandwidth. Without proper compensation, your high-frequency signals will look either rounded (under-compensated) or spiky (over-compensated), giving you a completely inaccurate picture. So, guys, understanding how capacitors behave at different frequencies is non-negotiable for making accurate and reliable oscilloscope measurements. They literally shape the signal you see, and mastering their use means mastering your oscilloscope!

Inductors: The Less Common but Crucial Element in Oscilloscope Contexts

Now, let’s talk about inductors , the third member of our passive component trio. While resistors and capacitors are omnipresent in most oscilloscope setups and circuits under test, inductors might seem a bit less common, especially in purely passive oscilloscope probes . However, don’t underestimate their significance! Inductors are passive components that store energy in a magnetic field when current flows through them. They are essentially coils of wire, and their key characteristic is their inductance , which is a measure of their ability to oppose changes in current. This opposition is greater for faster changes in current (i.e., higher frequencies). Just like capacitors, inductors exhibit frequency-dependent impedance , but in the opposite way: their impedance increases with frequency . This makes them incredibly useful for applications that are sensitive to frequency variations. In the context of oscilloscope passive components and circuits , you might not find discrete inductors directly inside your standard 10x passive probe, as their primary role is often for filtering or resonance in the circuits being measured or within the oscilloscope’s internal circuitry for power delivery or specific signal conditioning. For instance, inductors are crucial in LC filters (when combined with capacitors) to create sharp cutoffs for specific frequency ranges, or in tuned circuits that resonate at a particular frequency, like in RF applications. If you’re using your oscilloscope to troubleshoot a power supply, you’ll definitely encounter inductors in chokes and filter networks designed to smooth out ripple or block high-frequency noise. Similarly, in high-speed digital circuits, small parasitic inductances in traces and components can become a significant factor, causing signal integrity issues like ringing and reflections , which you’ll observe and analyze on your oscilloscope. Understanding RL circuits (resistor-inductor combinations) is also important for analyzing transients and time constants in certain types of power and motor control circuits. Even though they might not be as upfront in your measurement chain as resistors or capacitors, the fundamental principles of inductance and how it interacts with signals at various frequencies are absolutely vital for interpreting the waveforms your oscilloscope displays, especially when you’re looking at high-frequency behavior or power electronics . So, while you might not be compensating an inductor in your probe, knowing how they work will undoubtedly help you accurately diagnose and understand the circuits you’re testing!

Combining Passive Components: Building Blocks for Oscilloscope Measurements

Okay, guys, we’ve looked at resistors, capacitors, and inductors individually, but the real magic in oscilloscope passive components and circuits happens when these elements are combined. The synergy of these passive components creates the fundamental building blocks for nearly every circuit you’ll encounter, and understanding these combinations is absolutely critical for accurate oscilloscope measurements. Let’s talk about RC circuits (Resistor-Capacitor combinations) first. These are everywhere! The input stage of your oscilloscope, along with its passive probe, forms an RC circuit. This combination gives rise to a time constant (τ = RC), which dictates how quickly a capacitor charges or discharges through a resistor. This time constant is crucial for understanding how signals, especially square waves or pulses, will be shaped or distorted. For example, an RC low-pass filter (resistor followed by a capacitor to ground) will attenuate high-frequency signals while allowing lower frequencies to pass. If your oscilloscope setup has too much input capacitance (part of the RC circuit), it can act as a low-pass filter, rounding off the sharp edges of your high-speed digital signals, making them appear slower than they actually are. Conversely, an RC high-pass filter (capacitor followed by a resistor to ground) will block DC and low frequencies while passing higher frequencies. This is essentially what AC coupling does! Then there are LC circuits (Inductor-Capacitor combinations). These are often found in resonant circuits , which are vital for RF applications, oscillators, and highly selective filters. An LC circuit will resonate at a specific frequency, and understanding this resonance is key when troubleshooting such circuits with your oscilloscope. Improperly designed or tuned LC circuits can cause unwanted oscillations or signal attenuation, all of which you’d detect and analyze with your scope. Finally, RL circuits (Resistor-Inductor combinations) are common in power electronics and motor control, influencing the transient response and current paths. The overall impedance of these combined circuits is what your oscilloscope’s input impedance interacts with, and any mismatch can lead to signal distortion, reflections, or significant loading . This is why probe compensation is so vital—it’s essentially tuning an RC circuit (within the probe and scope input) to ensure a flat frequency response, so the combined passive components accurately represent the signal across its bandwidth. By grasping how these combinations behave, you gain a powerful insight into what you’re seeing on your oscilloscope and, more importantly, why you’re seeing it. This knowledge empowers you to not only interpret waveforms correctly but also to troubleshoot and design circuits more effectively, making you a much more capable engineer or hobbyist.

Best Practices for Working with Passive Components and Oscilloscopes

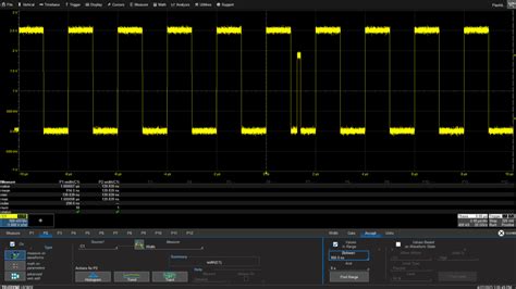
Alright, my friends, now that we’ve covered the individual roles and combinations of oscilloscope passive components , let’s talk about some best practices to ensure you’re getting the most accurate and reliable measurements from your oscilloscope. Trust me, a little care and attention here can save you a ton of headaches down the line. First off, always choose the right probe for the job . Don’t just grab any probe! Most general-purpose measurements will use a 10x passive probe, which offers a good balance of bandwidth and minimal loading. However, if you’re dealing with very low-level signals or require extremely high input impedance, a 1x probe or even an active probe might be necessary. Conversely, for very high voltages, you’ll need a specialized high-voltage probe. Remember, the probe is an extension of your oscilloscope’s input , and its passive components (resistors, capacitors) are critical. Second, and this is absolutely crucial , always compensate your passive probes . I can’t stress this enough! Every 10x passive probe has a small adjustment screw for a variable capacitor. Before taking any critical measurements, connect the probe to your oscilloscope’s probe compensation output (usually a square wave signal) and adjust the trimmer until the square wave is perfectly flat on top, with no overshoot or undershoot. An uncompensated or improperly compensated probe will lead to distorted waveforms, especially at higher frequencies, giving you completely inaccurate readings. Third, be mindful of grounding . Always use the shortest possible ground lead on your probe. A long ground lead adds inductance, which can create a