Passive Crossover: The Ultimate Guide

V.Ijoomla 103 views
Passive Crossover: The Ultimate Guide

Passive Crossover: The Ultimate Guide

Hey guys! Ever wondered what makes your speakers sound so awesome? Chances are, it involves something called a crossover. And if you’re not familiar with crossovers, don’t worry! This article is here to break it down for you in simple terms. We’re diving deep into the world of passive crossovers – what they are, how they work, their pros and cons, and basically everything you need to know to understand them. So, buckle up and let’s get started!

What is a Passive Crossover?

Okay, so, passive crossovers are essentially electronic circuits that live inside your speakers. Their main job? To split the audio signal into different frequency ranges and send those ranges to the appropriate drivers (woofers, tweeters, etc.). Think of it like a traffic controller for sound. High frequencies go to the tweeter (for those crisp, clear highs), low frequencies go to the woofer (for that deep, rumbling bass), and so on. Without a crossover, your tweeter would try to reproduce bass (not good!) and your woofer would try to reproduce high frequencies (also not good!).

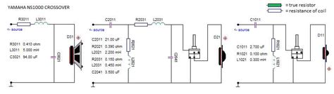
Passive crossovers are made up of passive components, meaning they don’t require an external power source to function. These components typically include resistors, capacitors, and inductors. The specific combination and values of these components determine the crossover frequency – the point at which the signal is split. Designing a passive crossover is all about carefully selecting these components to achieve the desired sonic outcome. The beauty of a passive crossover lies in its simplicity. It sits between your amplifier and your speakers, silently doing its job without needing any extra power. This makes them a convenient and cost-effective solution for many speaker systems. However, this simplicity also comes with certain limitations, which we’ll discuss later on. But for now, just remember that a passive crossover is a crucial element in most multi-way speaker systems, ensuring that each driver receives the frequencies it’s designed to handle, resulting in a balanced and accurate sound reproduction. The better the passive crossover , the better your speakers will sound, plain and simple. Understanding how a passive crossover works is essential for anyone who wants to delve deeper into the world of audio and speaker design.

How Does a Passive Crossover Work?

Alright, let’s get a little more technical, but still keep it super understandable. The magic of a passive crossover lies in how it uses those passive components – resistors, capacitors, and inductors – to filter the audio signal. Each component has a different effect on different frequencies. Resistors simply reduce the amplitude of the signal across all frequencies. Capacitors block low frequencies and allow high frequencies to pass through. Inductors, on the other hand, block high frequencies and allow low frequencies to pass through. By combining these components in specific configurations, we can create filters that selectively attenuate certain frequencies while allowing others to pass through relatively unaffected.

For example, a simple high-pass filter (used for tweeters) might consist of a capacitor in series with the tweeter. The capacitor blocks the low frequencies, preventing them from reaching the tweeter, while allowing the high frequencies to pass through and be reproduced. Conversely, a low-pass filter (used for woofers) might consist of an inductor in series with the woofer. The inductor blocks the high frequencies, preventing them from reaching the woofer, while allowing the low frequencies to pass through and be reproduced. In a typical two-way speaker system (woofer and tweeter), the passive crossover will consist of both a high-pass filter for the tweeter and a low-pass filter for the woofer. These filters are carefully designed to complement each other, ensuring a smooth transition between the two drivers and minimizing any unwanted overlap or cancellation of frequencies. The point at which the filters start to attenuate the signal is called the crossover frequency. This frequency is a critical parameter in the design of a passive crossover , as it determines how the audio signal is divided between the different drivers. Choosing the right crossover frequency is essential for achieving a balanced and natural sound. The slope of the filter, which determines how quickly the signal is attenuated above or below the crossover frequency, is another important design consideration. Steeper slopes provide better isolation between the drivers but can also introduce phase distortion, which can negatively affect the sound quality. Designing a passive crossover involves carefully balancing these various factors to achieve the desired sonic performance.

Advantages of Using a Passive Crossover

So, why would you choose a passive crossover over other types of crossovers? Well, there are several advantages that make them a popular choice for many speaker systems. First and foremost, they’re simple! They don’t require any external power source, which means less wiring and less complexity in your system. This makes them relatively easy to install and use. Second, they’re cost-effective. Passive components are generally inexpensive, so passive crossovers are typically more affordable than active crossovers, which require amplifiers and other electronic components.

Third, they’re reliable. Because they’re made up of passive components, they’re less likely to fail than active crossovers, which have more complex circuitry. Fourth, they can be easily integrated into existing speaker systems. If you’re upgrading your speakers, you can often simply replace the existing passive crossover with a better one to improve the sound quality. Fifth, they can be custom-designed to match the specific characteristics of your drivers. This allows you to optimize the performance of your speakers for your specific listening environment. Sixth, passive crossovers offer a certain level of